依据《山东省春季高考统一考试招生专业类别考试标准》(2026年版)(山东省教育招生考试院2025年12月发布)、《2026年山东省春季高考统一考试招生专业类别考试“知识”部分考试说明》(山东省教育招生考试院2026年1月29日发布)和《山东省2026年春季高考统一考试招生技能测试工作实施办法》(山东省教育招生考试院2026年2月3日发布),山东省2026年春季高考技能测试机电技术类专业考试范围为“技能模块1:机械测绘”与“技能模块6:PLC控制线路的安装与调试”两个模块融合考核。
本次测试实行无纸化考试,分为理论和实操两个部分,其中理论部分为机考,与实操部分在同一个考核平台上一次性完成,考试总时间60分钟。请考生在考前认真学习主考院校网站上公布的“山东省2026年春季高考机电技术类专业技能测试操作流程”和“山东省2026年春季高考机电技术类专业技能测试系统使用说明”。
一、理论部分
理论部分包含机械测绘模块10个单项选择题。
考核内容:
1.机械制图的国家标准和技术规范要求;平面图形的尺寸分析;实物尺寸、图形尺寸、绘图比例、尺寸标注之间的对应关系。
2.根据组合体立体图确定其三视图;根据组合体的两面视图确定第三视图;组合体尺寸分析。
3.根据形体三视图确定其正等轴测图。
4.螺纹的标记、螺纹的类型判别;螺纹几何参数计算及测量;螺纹视图的绘制标准;拆装螺纹紧固件时工具的用途及选用。
5.标准直齿圆柱外齿轮各参数和尺寸计算。
6.根据形体剖切情况确定剖视图;根据形体的两面视图确定剖视图。
7.使用游标卡尺和螺旋测微器(千分尺)测量轴套类零件尺寸,并正确读数;根据零件尺寸精度正确选用量具。
8.计算机绘图软件(AutoCAD、CAXA电子图版等)中常用绘图命令、常用修改命令的功能及选用。
9.识读轴套类零件图,明确尺寸公差、几何公差、表面粗糙度等技术要求;零件几何公差的标注、几何公差类型。
10.说明:试题中所有视图均选用第一角画法。
二、实操部分
实操部分所使用的操作平台说明请参见网上公布的“山东省2026年春季高考机电技术类专业技能测试实操部分考核平台介绍”和“山东省2026年春季高考机电技术类专业技能测试实操部分考核平台介绍视频”。
(一)项目1
请使用给定测量工具和零件,测量如图所示尺寸A、B,并填写读数(读数必须精确到小数点后两位,示例:若读数为8mm时,应填写8.00)。

(二)项目2
1.项目任务
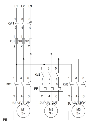
某板材加工设备的进料传送带、打磨辊道、出料传送带依次由三相异步电动机M1、M2、M3拖动,三相异步电动机的控制要求由PLC控制交流接触器实现,请按照图2完成PLC控制电路接线,按照控制要求完成编程并调试。
2.控制要求
(1)系统初次上电,PLC得电,交流接触器全部处于断电状态。
(2)按下启动按钮SB1,交流接触器KM1、KM2线圈得电并保持,进料传送带电动机M1和打磨辊道电动机M2起动,进行板材进料打磨。
(3)电动机M1和M2运行3秒时间到,交流接触器KM3线圈得电并保持,出料传送带电动机M3起动,输送板材。
(4)板材到达出料传送带末端位置,碰触行程开关(用按下按钮SB4模拟),交流接触器KM1线圈断电,电动机M1停止。
(5)电动机M1停止5秒时间到,交流接触器KM2线圈断电,电动机M2停止。
(6)电动机M2停止4秒时间到,交流接触器KM3线圈断电,电动机M3停止。
(7)设备停止后,可重复(2)到(6)步的工作流程。
(8)任意时刻按下停止按钮SB2,交流接触器KM1、KM2、KM3线圈断电,电动机M1、M2、M3立即停止。
提示:
(1)设备的按钮为自复位按钮。
(2)图1所示主电路不接线。
3.I/O分配表
| 开关量输入 | 开关量输出 | ||
|---|---|---|---|
| X0 | 启动按钮SB1 | Y0 | 交流接触器KM1 |
| X1 | 停止按钮SB2 | Y1 | 交流接触器KM2 |
| X2 | 末端位置SB4 | Y2 | 交流接触器KM3 |
| X3 | 热继电器FR |
4.硬件接线图

图1 电气控制系统主电路图(不接线)

图2 PLC控制电路图
三、注意事项
考试结束后,请考生注意以下事项:
1.断开实训考核装置的所有断路器。
2.接好的线路不要拆除。
3.把工具、零件、仪表及剩余的插接线按原位置放好。
4.不要关闭电脑,不要关闭考试系统和PLC编程软件。